| 株式会社レンズ設計支援 | |
| ホーム > 光学セミナー講演内容 | |
|
| 用途 | CCTV用(AF/AZ) | |
| 焦点距離 (Zoom倍率) |
4〜48mm (12倍) |
|
| F-Number | F/1.6〜1.8 | |
| 撮像素子Size | 1/4 ”CCD | |
| 構成枚数 | 8群11枚(非球面2枚) | |
| 前玉有効径 | φ30 | |
| 光学全長 | 57.23mm(in Glass) | |
| MTF | 中心100本/mm 50% 周辺80本/mm 35% |
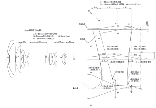
| rv;v面の曲率半径 rv+1;v+1面の面率半径 dl;レンズ中心厚 Nl;材質の屈折率 |
| 単レンズPower 単レンズ前側主点 単レンズ後側主点 |
| 各収差の式より □各収差の式より □ レンズ中心の厚さが増すと、単レンズのPowerが正であれば、その正のPowerは弱くなり、 単レンズPowerが負であれば、その負のPowerは強くなる □ 前側主点は、ν面の頂点を基準に右方を正、左方を負とする □ 後側主点は、ν+1面の頂点を基準に右方を正、左方を負とする □ 前側主点は、ν+1面のPowerが寄与する □ 後側主点は、ν面のPowerが寄与する を注意して薄肉レンズに変換する |
| 球面収差 コマ収差 非点収差 サジタル像面湾曲 歪曲 軸上色収差 倍率色収差 |
| :単レンズlに入射する近軸周辺光線の高さ :単レンズlに入射する近軸主光線の高さ :単レンズlのpower :単レンズlに入射する近軸光線の換算傾角 :単レンズlを構成する材質の屈折率 :単レンズlの前側面の曲率半径 :単レンズlの両側の面の3次領域までの非球面の合計 :単レンズlを構成する材質のアッベ数 |
|
| fl(il) = | Δ(il) = | |
| -44.01287 | 34.36848 | |
| 47.82594 | -4.49601 | |
| 53.58738 | 15.75449 | |
| -12.72529 | 2.83236 | |
| 14.45706 | 0.00000 | |
| hm(hl) = | hp(hl) = | |
| 4.54849 | -12.53834 | |
| 8.10028 | -4.73627 | |
| 8.39713 | -6.20216 | |
| 4.88821 | 0.75790 | |
| 5.34538 | 2.17788 | |
| -0.00000 | 11.17600 |
| fl(il) = | Δ(il) = | Δ(il) = | Δ(il) = |
| -53.48841 | -0.40527 | -0.40527 | -0.40527 |
| 33.49837 | 2.89851 | 2.89851 | 2.89851 |
| 35.50782 | 4.08352 | 14.74729 | 17.89886 |
| -10.35859 | 3.94413 | 3.94413 | 3.94413 |
| -5.05867 | -0.09661 | -0.09661 | -0.09661 |
| 9.32699 | 16.18438 | 5.52061 | 2.36904 |
| 1000000.00000 | 1.68370 | 1.68370 | 1.68370 |
| 12.42603 | 2.12082 | 2.12082 | 2.12082 |
| 12.53451 | 1.42362 | 1.42362 | 1.42362 |
| -8.14004 | 6.05618 | 3.06617 | 6.10813 |
| 7.17361 | 0.40634 | 0.40634 | 0.40634 |
| -19.17453 | 0.00000 | 0.00000 | 0.00000 |
| レンズ群(面番号) | Power調整面 | Wide端主点間隔 | Normal移動量 | Tele端移動量 |
| 1群(2〜6)Power | 6 | 0.0379875 | - | - |
| 1-2群主点間隔 | - | 6.78267 | 0.0 | 0.0 |
| 2群(7〜11)Power | 7 | -0.2252755 | - | - |
| 2-3群主点間隔 | - | 16.03857 | 10.66377 | 13.81534 |
| 3群(12〜18)Power | 15 | 0.0704034 | - | - |
| 3-4群主点間隔 | - | 11.21068 | 0.0 | 0.0 |
| 4群(19〜21)Power | 19 | 0.0902014 | -2.9901 | 0.05195 |
| ※接合面、絞り面はPower調整面にしない ※各群のPower, Wide端の主点間隔、各のズーム位置でのWide端を基準とした移動量を 固定すると、焦点距離、ズーミングによる像点位置は一定に保たれる |
||||
| 変数×選択 | 重み μ | 増分 Δx |
| 球面曲率 1群2,3,4,5 (6非選択) 2群8,9,10,11(7非選択) 3群13,14,16,17,18(12,15非選択) 4群20,21(19非選択) |
全て1 | 全て0.1E-03 |
| 非球面係数 離心率(13,14,19) hの4乗係数(13,14,19) hの6乗係数(13,14,19) hの8乗係数(13,14,19) hの10乗係数(13,14,19) |
0.05 50 100 150 200 |
0.1 0.1E-04 0.1E-06 0.1E-08 0.1E-010 |
| ※Power調整面、絞り面は選択しない ※重みを大きくする程、解Δxの増大を押さえられる ※増分は、変数 x のディメンションに比例して決める |
||
| 球面収差 | 目標 F | 重み W | 結果 | ※重みを大きくする程、より目標に近づく ※重みは、目標のディメンションに反比例して決める |
||||
| 瞳高10割 | -0.013 | 20 | -0.00298 | |||||
| 瞳高9割 | -0.014 | 20 | -0.01048 | |||||
| 瞳高7割 | -0.015 | 20 | -0.01206 | 軸上色収差 | 目標 F | 重み W | 結果 | |
| 瞳高5割 | -0.010 | 20 | -0.00742 | F-d線 | -0.01 | 15 | -0.00874 | |
| 非点収差 M方向 |
目標 F | 重み W | 結果 | 非点収差 S方向 |
目標 F | 重み W | 結果 | |
| 瞳高10割 | 0.00500 | 15 | 0.01131 | 瞳高10割 | 0.00500 | 4 | 0.00829 | |
| 瞳高9割 | 0.00450 | 10 | -0.05633 | 瞳高9割 | 0.00450 | 3 | -0.02384 | |
| 瞳高7割 | 0.00375 | 7.5 | -0.05698 | 瞳高7割 | 0.00375 | 2 | -0.02136 | |
| 瞳高5割 | 0.00250 | 5 | -0.02511 | 瞳高5割 | 0.00250 | 1 | -0.01037 |
| 歪曲収差 | 目標 F | 重み W | 結果 | 倍率色収差 | 目標 F | 重み W | 結果 | |
| 瞳高10割 | -5.4 | 2 | -4.62720 | 瞳高10割 | 0.001 | 100 | 0.00094 | |
| 瞳高9割 | -4.6 | 1.9 | -4.19534 | 瞳高9割 | 0.001 | 90 | 0.00117 | |
| 瞳高7割 | -3.4 | 1.75 | -3.19862 | 瞳高7割 | 0.001 | 80 | -0.00097 | |
| 瞳高5割 | -1.6 | 1.50 | -1.61306 | 瞳高5割 | 0.001 | 70 | -0.00240 |
| 横収差 像高5割M方 |
目標 F | 重み W | 結果 | 横収差 像高7割M方向 |
目標 F | 重み W | 結果 | |
| 瞳高-10割 | 0.00100 | 22.5 | -0.01131 | 瞳高-10割 | 0.00100 | 22.5 | 0.01047 | |
| 瞳高-9割 | 0.00090 | 20 | -0.00249 | 瞳高-9割 | 0.00090 | 20 | -0.00684 | |
| 瞳高-7割 | 0.00075 | 17.5 | -0.00218 | 瞳高-7割 | 0.00075 | 17.5 | -0.00557 | |
| 瞳高-5割 | 0.00050 | 12.5 | -0.00114 | 瞳高-5割 | 0.00050 | 12.5 | -0.00628 | |
| 瞳高+5割 | -0.00050 | 10 | -0.00433 | 瞳高+5割 | -0.00050 | 10 | -0.00215 | |
| 瞳高+7割 | -0.00075 | 15 | -0.01059 | 瞳高+7割 | -0.00075 | 15 | -0.00701 | |
| 瞳高+9割 | -0.00090 | 18 | -0.01303 | 瞳高+9割 | -0.00090 | 18 | -0.01170 | |
| 瞳高+10割 | -0.00100 | 20 | -0.01141 | 瞳高+10割 | -0.00100 | 20 | -0.02210 |
| 横収差 像高9割M方 |
目標 F | 重み W | 結果 | 横収差 像高10割M方向 |
目標 F | 重み W | 結果 | |
| 瞳高-10割 | 0.00100 | 22.5 | 0.01297 | 瞳高-10割 | 0.00100 | 22.5 | 0.00347 | |
| 瞳高-9割 | 0.00090 | 20 | 0.00921 | 瞳高-9割 | 0.00090 | 20 | 0.00376 | |
| 瞳高-7割 | 0.00075 | 17.5 | 0.00779 | 瞳高-7割 | 0.00075 | 17.5 | 0.00450 | |
| 瞳高-5割 | 0.00050 | 12.5 | 0.00776 | 瞳高-5割 | 0.00050 | 12.5 | 0.00470 | |
| 瞳高+5割 | -0.00050 | 10 | 0.00232 | 瞳高+5割 | -0.00050 | 10 | 0.00898 | |
| 瞳高+7割 | -0.00075 | 15 | 0.00134 | 瞳高+7割 | -0.00075 | 15 | 0.01050 | |
| 瞳高+9割 | -0.00090 | 18 | -0.00265 | 瞳高+9割 | -0.00090 | 18 | 0.00750 | |
| 瞳高+10割 | -0.00100 | 20 | -0.01576 | 瞳高+10割 | -0.00100 | 20 | -0.00347 |
| 球面収差 | 目標 F | 重み W | 結果 | ※重みを大きくする程、より目標に近づく ※重みは、目標のディメンションに反比例して決める |
||||
| 瞳高10割 | -0.013 | 20 | -0.01046 | |||||
| 瞳高9割 | -0.014 | 20 | -0.02818 | |||||
| 瞳高7割 | -0.015 | 20 | -0.02688 | 軸上色収差 | 目標 F | 重み W | 結果 | |
| 瞳高5割 | -0.010 | 20 | -0.01115 | F-d線 | 0.02 | 15 | 0.03208 | |
| 非点収差 M方向 |
目標 F | 重み W | 結果 | 非点収差 S方向 |
目標 F | 重み W | 結果 | |
| 瞳高10割 | -0.00700 | 10 | 0.02715 | 瞳高10割 | -0.00700 | 4 | -0.02164 | |
| 瞳高9割 | -0.00650 | 9 | -0.0818 | 瞳高9割 | -0.00650 | 3 | -0.02421 | |
| 瞳高7割 | -0.00575 | 7.5 | -0.03508 | 瞳高7割 | -0.00575 | 2 | -0.02417 | |
| 瞳高5割 | -0.00450 | 5 | -0.03100 | 瞳高5割 | -0.00450 | 1 | -0.01474 |
| 歪曲収差 | 目標 F | 重み W | 結果 | 倍率色収差 | 目標 F | 重み W | 結果 | |
| 瞳高10割 | 1.4 | 2 | 1.16198 | 瞳高10割 | -0.001 | 80 | -0.00557 | |
| 瞳高9割 | 1.2 | 1.9 | 0.95319 | 瞳高9割 | -0.001 | 70 | 0.00492 | |
| 瞳高7割 | 0.8 | 1.75 | 0.73192 | 瞳高7割 | -0.001 | 60 | -0.00430 | |
| 瞳高5割 | 0.4 | 1.50 | 0.39414 | 瞳高5割 | -0.001 | 50 | -0.00261 |
| 横収差 像高5割M方 |
目標 F | 重み W | 結果 | 横収差 像高7割M方向 |
目標 F | 重み W | 結果 | |
| 瞳高-10割 | 0.00100 | 22.5 | 0.02270 | 瞳高-10割 | 0.00100 | 22.5 | -0.00193 | |
| 瞳高-9割 | 0.00090 | 20 | 0.01025 | 瞳高-9割 | 0.00090 | 20 | -0.00460 | |
| 瞳高-7割 | 0.00075 | 17.5 | 0.00631 | 瞳高-7割 | 0.00075 | 17.5 | -0.00404 | |
| 瞳高-5割 | 0.00050 | 12.5 | 0.00172 | 瞳高-5割 | 0.00050 | 12.5 | -0.00095 | |
| 瞳高+5割 | -0.00050 | 5 | -0.00465 | 瞳高+5割 | -0.00050 | 5 | -0.00485 | |
| 瞳高+7割 | -0.00075 | 7.5 | -0.00983 | 瞳高+7割 | -0.00075 | 7.5 | -0.01041 | |
| 瞳高+9割 | -0.00090 | 9 | -0.01190 | 瞳高+9割 | -0.00090 | 9 | -0.01430 | |
| 瞳高+10割 | -0.00100 | 10 | -0.01384 | 瞳高+10割 | -0.00100 | 10 | -0.02542 |
| 横収差 像高9割M方 |
目標 F | 重み W | 結果 | 横収差 像高10割M方向 |
目標 F | 重み W | 結果 | |
| 瞳高-10割 | 0.00100 | 22.5 | -0.01275 | 瞳高-10割 | 0.00100 | 22.5 | -0.01083 | |
| 瞳高-9割 | 0.00090 | 20 | -0.00646 | 瞳高-9割 | 0.00090 | 20 | -0.00668 | |
| 瞳高-7割 | 0.00075 | 17.5 | -0.00329 | 瞳高-7割 | 0.00075 | 17.5 | -0.00489 | |
| 瞳高-5割 | 0.00050 | 12.5 | 0.00039 | 瞳高-5割 | 0.00050 | 12.5 | -0.00249 | |
| 瞳高+5割 | -0.00050 | 5 | -0.00248 | 瞳高+5割 | -0.00050 | 5 | -0.00026 | |
| 瞳高+7割 | -0.00075 | 7.5 | -0.00775 | 瞳高+7割 | -0.00075 | 7.5 | -0.00547 | |
| 瞳高+9割 | -0.00090 | 9 | -0.01243 | 瞳高+9割 | -0.00090 | 9 | -0.01041 | |
| 瞳高+10割 | -0.00100 | 10 | -0.02595 | 瞳高+10割 | -0.00100 | 10 | -0.02387 |
| 球面収差 | 目標 F | 重み W | 結果 | ※重みを大きくする程、より目標に近づく ※重みは、目標のディメンションに反比例して決める |
||||
| 瞳高10割 | -0.013 | 20 | -0.01076 | |||||
| 瞳高9割 | -0.014 | 20 | -0.01074 | |||||
| 瞳高7割 | -0.015 | 20 | -0.01352 | 軸上色収差 | 目標 F | 重み W | 結果 | |
| 瞳高5割 | -0.010 | 20 | -0.01279 | F-d線 | 0.03 | 15 | 0.02956 | |
| 非点収差 M方向 |
目標 F | 重み W | 結果 | 非点収差 S方向 |
目標 F | 重み W | 結果 | |
| 瞳高10割 | -0.00125 | 10 | -0.02042 | 瞳高10割 | -0.010 | 4 | -0.04585 | |
| 瞳高9割 | -0.010 | 9 | -0.03661 | 瞳高9割 | -0.009 | 3 | -0.03983 | |
| 瞳高7割 | -0.0090 | 7.5 | -0.03284 | 瞳高7割 | -0.0075 | 2 | -0.02653 | |
| 瞳高5割 | -0.0075 | 5 | -0.01404 | 瞳高5割 | -0.0050 | 1 | -0.00940 |
| 歪曲収差 | 目標 F | 重み W | 結果 | 倍率色収差 | 目標 F | 重み W | 結果 | |
| 瞳高10割 | 2.2 | 2 | 2.34178 | 瞳高10割 | -0.002 | 120 | -0.00189 | |
| 瞳高9割 | 1.8 | 1.9 | 1.76894 | 瞳高9割 | -0.002 | 110 | -0.00028 | |
| 瞳高7割 | 1.2 | 1.75 | 1.08388 | 瞳高7割 | -0.002 | 100 | 0.00099 | |
| 瞳高5割 | 0.5 | 1.50 | 0.38609 | 瞳高5割 | -0.002 | 90 | 0.00125 |
| 横収差 像高5割M方 |
目標 F | 重み W | 結果 | 横収差 像高7割M方向 |
目標 F | 重み W | 結果 | |
| 瞳高-10割 | 0.00100 | 15 | -0.02270 | 瞳高-10割 | 0.00100 | 15 | -0.01009 | |
| 瞳高-9割 | 0.00090 | 12.5 | 0.00418 | 瞳高-9割 | 0.00090 | 12.5 | 0.00570 | |
| 瞳高-7割 | 0.00075 | 10 | 0.00974 | 瞳高-7割 | 0.00075 | 10 | 0.00985 | |
| 瞳高-5割 | 0.00050 | 7.5 | 0.00901 | 瞳高-5割 | 0.00050 | 7.5 | 0.00893 | |
| 瞳高+5割 | -0.00050 | 15 | -0.00259 | 瞳高+5割 | -0.00050 | 25 | 0.00314 | |
| 瞳高+7割 | -0.00075 | 20 | -0.00032 | 瞳高+7割 | -0.00075 | 30 | 0.00402 | |
| 瞳高+9割 | -0.00090 | 25 | -0.00285 | 瞳高+9割 | -0.00090 | 35 | 0.00220 | |
| 瞳高+10割 | -0.00100 | 30 | -0.01117 | 瞳高+10割 | -0.00100 | 40 | -0.00446 |
| 横収差 像高9割M方 |
目標 F | 重み W | 結果 | 横収差 像高10割M方向 |
目標 F | 重み W | 結果 | |
| 瞳高-10割 | 0.00100 | 15 | -0.01249 | 瞳高-10割 | 0.00100 | 15 | -0.01766 | |
| 瞳高-9割 | 0.00090 | 12.5 | -0.00021 | 瞳高-9割 | 0.00090 | 12.5 | -0.00702 | |
| 瞳高-7割 | 0.00075 | 10 | 0.00369 | 瞳高-7割 | 0.00075 | 10 | -0.00293 | |
| 瞳高-5割 | 0.00050 | 7.5 | 0.00520 | 瞳高-5割 | 0.00050 | 7.5 | -0.00104 | |
| 瞳高+5割 | -0.00050 | 15 | 0.00122 | 瞳高+5割 | -0.00050 | 15 | -0.00009 | |
| 瞳高+7割 | -0.00075 | 20 | 0.00127 | 瞳高+7割 | -0.00075 | 20 | -0.00156 | |
| 瞳高+9割 | -0.00090 | 25 | -0.00022 | 瞳高+9割 | -0.00090 | 25 | -0.00333 | |
| 瞳高+10割 | -0.00100 | 30 | -0.00555 | 瞳高+10割 | -0.00100 | 30 | 0.00347 |
| 射影方式 y=f×tan(θ) |
射影方式 y=f×θ ΔS'/ΔY'=cos2ω |
| 中心の像倍率f/R=1とすると Dist=(F(θ)-f・tanθ)/f・tanθより、周辺の 像倍率はΔy′/Δy=Dist+1で変化する。 歪補正後は点像が平面上に引き伸ばされ、 解像度は下記の様に劣化する。 中心 Lensの解像度×1.0 垂直 Lensの解像度×(Dist.v+1) 水平 Lensの解像度×(Dist.h+1) |
中心の像倍率f/R=1とすると Dist={F(θ)-f・θ}/f・θより、周辺の像倍率は Δy′/Δy=Δθ′/Δθ=Dist+1で変化する。 歪補正後は点像が球面円弧上に引き伸ばされ、 さらに表示平面に引き伸ばされるので解像度は 下記の様に劣化する。 中心 {Lensの解像度×1.0}×1.0 垂直 {Lensの解像度×(Dist.v+1)}×cos2ω.v 水平 {Lensの解像度×(Dist.h+1)}×cos2ω.h |
| 3倍(4群構成) | 3倍(3群構成) |
| レンズ群が径方向に10μmディセンターした時の径方向への焦点移動量 | |
| 3倍(4群構成) | 3倍(3群構成) |
| レンズ群が反時計回り方向に5分ティルトした時の焦点での像面倒れ角度 | |
| 3倍(4群構成) | 3倍(3群構成) |
| レンズ群が光軸方向に20μmシフトした時の光軸方向への焦点移動量 | |
| 構成枚数 | 5群5枚 | |
| 焦点距離 | 21.833mm | |
| F-Number | F/2.400 | |
| 投射倍率 (投射距離) |
1/92.098 (2m) |
|
| 光学全長 | 86.05mm(in Air) | |
| 有効像円 | φ22.352(0.663”) | |
| Back Foucus | 24.67mm | |
| 前玉有効径 後玉有効径 |
φ31.2 φ10.7 |
|
| 幾何光学MTF | 中心47本/mm 50% 周辺(7.5割)47本/mm 30% |
|
| 周辺光量比 | 57.5%(7.5割) | |
| TV歪曲度 | 0.65% |
| フレーア:輝度一様な物体の像の周りに光が広がりむらになる現象 □屈折面における多重反射による光軸上のフレーア率の成分と係数 正規の結像光による円形開口レンズの光軸上の像の照度は、正弦条件を満たすとき E0=t0πLsin2u'0 t0:レンズ系の透過率 L:物体の輝度 u'0:像に収束する円錐の半頂角 反射屈折系による円形開口レンズの光軸上の像の照度は、 Er=trπLsin2u'r tr:反射屈折系の透過率 u'r:に相当する反射屈折系の半頂角 反射屈折系の光軸上のフレーア率の成分 Krと係数ar は、 Kr=Er/E0=(tr/t0)ar ar=sin2u'r/sin2u'0 □多重反射による光軸上のフレーア率 反射屈折系:u'r=-hsm'sr/(l'0/l'sr) l'0:レンズ最終面から正規屈折系の像面 l'sr:反射屈折系の射出瞳位置 hs:絞りの開口半径、反射屈折系の絞りの像倍率 正規屈折系:u'0=-hsm's0/(l0/l's0) l's0:正規屈折系の射出瞳位置 m's0:正規屈折系の絞りの像倍率 射出瞳が絞りの像になるとき 射出瞳が絞り以外の鏡枠など像になるとき ar={m'sr(l'0/l's0)/m's0/(l'0/l'sr)}2 u'rをu*r (追跡計算によって求める)として ar={u*r(l'0/l's0)/hsm's0}2 |
| 用途 | CCTV用(AF/AZ) | 高解像度:メガピクセル対応 大口径化:F/1.6以下 広角化:Wide70度以上 高倍率化:15〜20倍 多機能化:近赤外対応,OIS |
| 焦点距離 (Zoom倍率) |
4〜48mm (12倍) |
|
| F-Number | F/1.6〜1.8 | |
| 撮像素子Size | 1/4 ”CCD | |
| 構成枚数 | 8群11枚(非球面2枚) | |
| 前玉有効径 | φ30 | |
| 光学全長 | 57.23mm(in Glass) | |
| MTF | 中心100本/mm 50% 周辺80本/mm 35% |
| 射影方式 y=f・tanθ 水平115°超広角レンズ 1/4" f=1.765,F/2.8 光学全長10.4mm 前玉有効径8.3mm |
射影方式 y=f・θ 水平190°魚眼レンズ 1/3.8" f=1.367,F/2.0 光学全長12mm 前玉有効径7.34mm |
| 広角化:魚眼190°以上 大口径化:F/2.0以下 高解像化:メガピクセル対応 |
|
| 4群タイプ(1群固定、絞り移動) 1/3" f=2.9〜9mm,F/1.0〜2.3 光学全長47.83mm 前玉有効径φ20.7mm |
3群タイプ(1群移動、絞り固定) 1/3" f=2.9〜8.4mm,F/1.0〜1.9 光学全長36.88〜22.16mm 前玉有効径φ18.54mm |
| 大口径化:F/1.2以下 高解像化:メガピクセル対応 コンパクト化:絞り固定、沈胴式 |
|
| 僣1=僖1-H1'+H2 | H1;Lenses群1の前側主点 H1';Lenses群1の後側主点 f1;Lenses群1の焦点距離 ΔD1;Lenses群1とLenses群2の面間隔 H2;Lenses群2の前側主点 H2';Lenses群2の後側主点 f2;Lenses群2の焦点距離 ΔH1;Lenses群1とLenses群2の主点間距離 |